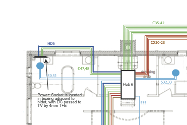
The TV system in the bedroom is mirrored on the TV in the Ensuite Bathroom; a waterproof remote controls volume and power, as well as TV Guides and Menus in Sky and DVD modes.
Ultimate Hifi and Home Cinema
Control and Integration
Network, Mac and iDevice
Home
Contact
About
Gallery
<
© by ivor knox
07785 541456
ivor@ivorknox.com
>
>